TO系列

日期:2024-08-24  点击:属于:市场动态

TO系列

所属分类:TO系列

为激光雷达、生物医疗和单模激光器等应用领域提供TO金属封装产品,具有散热好、性价比高、可靠性好的优点。

根据客户需求,提供不同波长、不同功率和不同封装形式的TO产品。









产品特点



产品应用



指标名称

单位

参数

输出功率

W

CW: ≤8     QCW:≤125

中心波长

nm

755~1550

工作模式


CW/QCW

工作温度

0~40

存储温度

-20~70


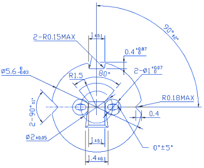
TO56外形尺寸(mm)

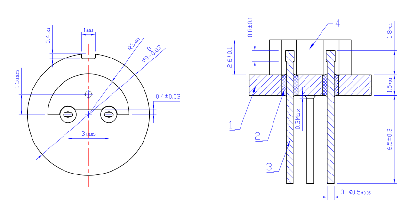
TO9外形尺寸(mm)

西安立芯光电科技有限公司
扫码关注我们
地址:陕西西安市高新开发区锦业路125号
电话:86-029-88855680
邮箱:yaoyi_lumcore@126.com
Copyright © 西安立芯光电科技有限公司
电话咨询

电话咨询

18729971547

返回顶部
3.164682s